11SG102-3《钢吊车梁系统设计图平面表示方法和构造详图》

11SG102-3《钢吊车梁系统设计图平面表示方法和构造详图》,2011年07月21日发布,2011年09月01日实施,中国计划出版社出版。
一、适用范围
本图集适用于非抗震设计及抗震设防烈度为6~8度地区的工业厂房和露天栈桥中的钢吊车梁系统设计图。
二、主要技术内容
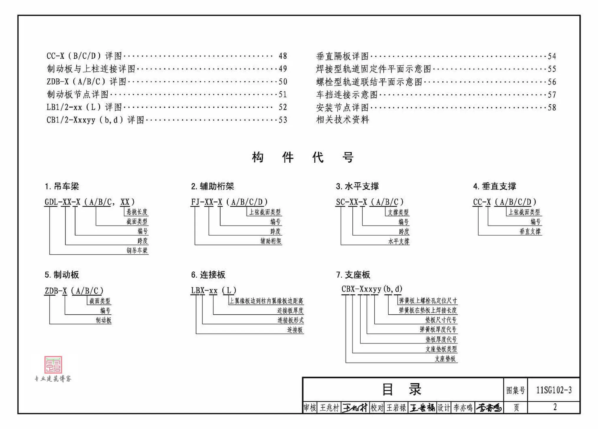
1、本图集是采用平面表示方法表达钢吊车梁系统设计图的标准设计图集。平面表示方法简称平法,平法的表达形式是把吊车梁系统构件的截面及平面定位等,按照本图集的制图规则,直接表达在吊车梁系统构件平面布置图上,再与标准构造详图相配合,构成一套完整的结构设计图。
2、本图集包括吊车梁系统中吊车梁、辅助桁架、水平支撑、垂直支撑、制动板、连接板、支座板等构件的平法制图规则和标准构造详图两大部分内容。
3、本图集中吊车梁为焊接工字形截面,包括等截面、变截面(直角变截面及圆弧变截面)两种形式。
4、本图集中辅助桁架上弦杆件包括单角钢、单槽钢、双角钢及双槽钢四种截面,下弦杆件包括单角钢及双角钢两种截面。
5、本图集中制动板与吊车梁上翼缘的连接包括高强螺栓、焊接及普通螺栓加焊接三种形式,制动板与上柱的连接适用于I型钢截面。
6、本图集中水平支撑及垂直支撑采用单角钢截面。
部分章节及目录如下图所示:











